From Weakypedia, the free project encyclopedia

Electrical Power System (EPS) for Nanosatellites

The Nanosatellite Electrical Power System (EPS) is a miniaturized power management unit designed to harness, store, and distribute energy in space environments. Developed as a pedagogical and scalable prototype, it integrates Maximum Power Point Tracking (MPPT) and stabilized voltage regulation.

Abstract


This project report covers the design, simulation, and demonstration of a prototype Design of an Electrical Power System (EPS) suitable for nanosatellite application. The primary objective was to build a small, cheap, uniform system to absorb solar energy, charge the battery efficiently, and distribute controlled power to onboard subsystems. The EPS features a photovoltaic panel, 2S2P Lithium-Ion battery pack, and MPPT control. Major findings verify the viability of the integrated solution with room for future potential in space-grade component integration.

1. Introduction


1.1 Preamble

The Electrical Power System (EPS) is an important subsystem in every satellite used to generate, store, control, and distribute electrical power. In the case of nano-satellites, where size and weight are of utmost importance, the design of an effective and robust EPS is a difficult exercise.

1.2 Motivation

With the enhanced need for reduced-weight space missions, nanosatellites are subject to rigorous size, weight, and power (SWaP) constraints. This project seeks to design such a system with the inclusion of MPPT for the best possible solar power harvesting and Lithium-Ion batteries for assured storage.

1.3 Problem Statement

The design of an optimized EPS for nanosatellites is a multidimensional challenge:

1.4 Block Diagram

Block Diagram of EPS

Figure 1.1: General Block Diagram showing the flow from Solar Panels to the Subsystems.

2. Literature Review


Maximum Power Point Trackers (MPPT) techniques have garnered broad research to maximize solar panel power extraction. According to J. Lee et al. [5], Perturb & Observe (P&O) is an effective performer in obtaining the highest energy yield in the face of light dynamic changes.

2.2 Summary of Literature Review

EPS AspectCommon ApproachesIdentified Gaps
Power GenerationSolar panels with MPPT logic.Predominantly theoretical analysis.
Energy StorageLithium-ion batteries and BMS.Need for replicable battery designs.
Power RegulationBuck/Boost converters.Few holistic designs integrate all stages.

3. Present Work Carried Out


3.1.1 Solar Panel Array

Solar Panel
Figure 3.1: Solar Panel Array Configuration.

The array achieved a confirmed peak power output of around 13–14 Watts. This capacity is essential for charging the energy accumulator while meeting onboard system demands.

3.1.2 MPPT Module

MPPT Module
Figure 3.2: MPPT Circuit Diagram with PO Algorithm.

To maximize energy, an MPPT module is integrated. It utilizes an adjustable voltage buck converter stage driven by an onboard microcontroller running the P&O algorithm.

3.1.3 Battery Charging Module

Charging Module
Figure 3.3: Battery Charging Module.

A dedicated module ensures safe charging of the pack, protecting it from potentially damaging conditions like over-discharge or thermal runaway.

3.1.4 Lithium-Ion Battery Pack

Li-Ion Battery
Figure 3.4: 2S2P Lithium-ion Battery configuration.

For this prototype, the pack is configured as a 2S2P (2 cells in series, 2 sets in parallel), resulting in a nominal voltage of 7.4V and a maximum charge voltage of 8.4V.

3.1.5 Voltage Regulators

Voltage Regulator
Figure 3.5: Voltage regulator providing 3.3V/5V.

To meet specific voltage requirements, dedicated regulators are employed downstream from the converter and the battery pack.

3.1.6 Arduino Uno (Microcontroller)

Arduino Uno
Figure 3.6: A Picture of Arduino Uno.

A key feature integrated is a real-time monitoring system built around an Arduino-compatible board and a 16x2 LCD module.

3.2 Software Requirements


The selection of software was guided by engineering workflows in power electronics:

4. Results and Discussions


4.1.1 I-V and P-V Characteristics

Simulink Circuit

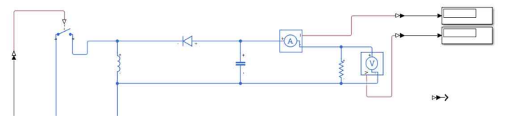
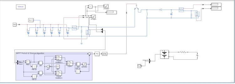
Figure 4.1: Simulink simulated circuit for the proposed EPS system.

I-V Curve

Figure 4.3: Simulated I-V Curve.

P-V Curve

Figure 4.4: Simulated P-V Curve.

4.1.3 Buck-Boost Converter Design Math

Key design equations for a buck-boost converter in Continuous Conduction Mode (CCM):

Duty Cycle (D) = |Vout| / (|Vout| + Vin)

For Vout = 12V and Vin = 2.41V, D ≈ 0.8327 (83.27%)

Converter Sim
Figure 4.6: Simulink Model of the Buck-Boost Converter.

The simulated system demonstrated high efficiency (85-90%) across both buck and boost modes of operation.

4.2 Hardware Demo: Operational Modes


The system is designed to operate in three modes: Normal, Experimental, and Eco.

Normal Mode

Fig 4.7: Normal Mode
LCD 8.4V (Standby)

Experimental Mode

Fig 4.8: Experimental Mode
Full workload active

Eco Mode

Fig 4.9: Eco Mode
Battery preservation

5. Conclusion


This project successfully undertook the comprehensive design, rigorous simulation, and practical demonstration of an EPS tailored for nanosatellite applications. The primary objective was to develop an efficient system capable of generating, storing, and controlling electrical power.

5.2.1 Advantages

5.2.2 Limitations

Note: The hardware implementation is limited to a ground-based demonstration model and has not undergone space qualification.

6. Future Scope


Future iterations could incorporate radio modules for telemetry, advanced MPPT algorithms (Fuzzy Logic), and hybrid storage solutions like supercapacitors to manage peak power demands.

References


[1] P. Rossoni, "Developments in Nano-Satellite Structural Subsystem Design," 1999.

[2] A. Edpuganti et al., "Comparison of Peak Power Tracking Based EPS Architectures," 2021.

[3] M. Chaturvedi, S. K. Singh, "Modeling of buck-boost converter for optimization," 2013.

[4] S. Ghosh and S. K. Saha, "Modelling and simulation of photovoltaic module," 2016.